X44W三通全铜旋塞阀
- 销售:
- 销售:
- 传真:
详情介绍
- 产品介绍
- 服务承诺
- 订货流程
X44W三通全铜旋塞阀 产品说明
主要性能参数
型号 | 公称压力 | 试验压力PN(MPa) | 适用介质 | 工作温度(℃) | |
壳体 | 密封 | ||||
X44W-1.0T | 1.0 | 1.5 | 1.1 | 水、蒸气、油品 | ≤100 |
主要零件材料
零件名称 | 阀体 | 塞子 | 填料压盖 | 填料 |
X44W-1.0T | 铸铜 | 铸铜 | 铸铜 | 油浸石棉盘根 |

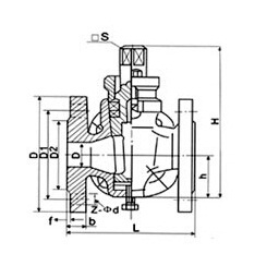
主要外形尺寸
公称压力 | 公称通径 | 尺寸(mm) | |||||||
L | D | D1 | D2 | z-φd | □s | h | H | ||
1.0 | 25 | 145 | 115 | 85 | 56 | 4?φ14 | 17 | 38 | 133 |
32 | 170 | 135 | 100 | 78 | 4?φ18 | 18 | 45 | 152 | |
40 | 180 | 145 | 110 | 85 | 4?φ18 | 24 | 55 | 212 | |
50 | 200 | 160 | 125 | 100 | 4?φ18 | 28 | 74 | 260 | |
65 | 220 | 180 | 145 | 120 | 4?φ18 | 32 | 82 | 295 | |
80 | 250 | 195 | 160 | 135 | 4?φ18 | 40 | 95 | 327 | |
100 | 300 | 215 | 180 | 155 | 8?φ23 | 45 | 135 | 425 | |
125 | 350 | 245 | 210 | 185 | 8?φ23 | 54 | 154 | 482 | |
150 | 400 | 280 | 240 | 210 | 8?φ23 | 62 | 172 | 512 | |
200 | 450 | 335 | 295 | 265 | 8?φ23 | 75 | 195 | 605 | |
250 | 530 | 390 | 350 | 320 | 8?φ23 | 85 | 230 | 660 | |
300 | 580 | 440 | 400 | 368 | 8?φ23 | 100 | 263 | 760 | |
良好的品质、优良的服务 青岛明哲运动鞋类有限公司为你创造更多价值!
“青岛明哲运动鞋类有限公司”的期望,不断提升服务质量,精益求精,“真诚的服务”是“青岛明哲运动鞋类有限公司”永恒的主题。“青岛明哲运动鞋类有限公司”严格按照IS09001-2000 质量体系认证要求,质量严格把关, 责任到人,确保生产、销售、服务的健康运行。加强与用户沟通,竭诚为广大客户提供优良产品,至善至美服务。特此我厂做出以下承诺:
产品标准:
产品严格按照中国GB、HG 标准和美国API等标准设计、制造、验收。密封面硬度达到国家规定要求,宽度超过国家标准。
售前服务:
产品介绍,技术交流,非标产品设计,疑难解答。
售中服务:
守信合同,保证及时供货,随时保持与客户联系。 对特殊或复制的产品,我厂安排技术人员对用户进行产品使用、故障排除
售后服务:
1、“青岛明哲运动鞋类有限公司”牌产品品质期为自出厂起12个月,实行“三包”服务(包退、包换、保修)。
2、产品在使用中我厂定期组织技术、质检人员进行访问,征询用户对产品质量、 使用状况、改进意见等方面的反馈, 以便进一步提高产品质量。
3、对用户投诉质量问题,快速作出反应,售后服务人员在24-36小时(省外48小时)赶赴现场。
4、对售后服务,要求用户填写服务后的质量反馈信息表,并作出鉴定意见,以便提高青岛明哲运动鞋类有限公司的服务质量。
1、客户如对产品有特殊要求,须在订货合同中提供以下说明:
a、结构长度;
b、连接形式;
c、公称直径、全通径、缩径、管道尺寸;
d、运行介质及温度、压力范围;
e、试验、检验标准及其他要求
2、本厂可根据客户特定要求配置各类驱动装置。
3、如由客户提供确定的阀门类型和型号时,客户应正确说明其型号的含义和要求,在供需双方理解一致的条件下签订合同。
4、期货、订货的客户请先来电函详细告诉所需的阀门型号、规格、数量以及交货时间、地点,并按总的30%预定金或全额货款及时汇入我厂帐户,其余货款待发货前汇入,以便及时安排发货。
订单流程:
1、客户采购清单传真至,或来电咨询
2、收到客户采购清单,为客户提供阀门型号选型与报价(价格清单)。
3、具体商定:交货期、特殊要求等事宜。
订货须知:
1、客户如对产品有特殊要求,须在订货合同中提供以下说明:
|
|||||
|
|||||
2、本厂可根据客户特定要求配置各类驱动装置。
|
|||||
3、如由客户提供确定的阀门类型和型号时,客户应正确说明其型号的含义和要求,在供需双方理解一致的条件下签订合同。
|
|||||
4、期货、订货的客户请先来电函详细告诉所需的阀门型号、规格、数量以及交货时间、地点,并按总的30%预定金或全额货款及时汇入我厂账户, 其余货款待发货前汇入,以便及时安排发货。
|
售中服务:
守信合同,保证及时供货,随时保持与客户联系。
对特殊或复制的产品,我厂安排技术人员对用户进行产品使用、故障排除
售后服务:
1、“青岛明哲运动鞋类有限公司”产品品质期为自出厂起12个月,实行“三包”服务(包退、包换、保修)。
2、产品在使用中我厂定期组织技术、质检人员进行访问,征询用户对产品质量、使用状况、改进意见等方面的反馈,
以便进一步提高产品质量。
3、对用户投诉质量问题,快速作出反应,售后服务人员在24-36小时(省外48小时)赶赴现场。
4、对售后服务,要求用户填写服务后的质量反馈信息表,并作出鉴定意见,以便提高“青岛明哲运动鞋类有限公司”的服务质量。
声明 |
|